Статус товара: под заказ
Срок поставки: от 7 дней
Запросите у менеджера точный расчет сроков и стоимости доставки.
Описание товара:
Вентилятор ВЦ 5-50 №8 15/1500 предназначен для перемещения воздуха и других газовых смесей, агрессивность которых по отношению к углеродистым сталям, обыкновенного качества, не выше агрессивности воздуха с температурой до +80оС, не содержащих пыли и других твердых примесей в количестве более 100 мг/м3, а также липких и волокнистых материалов в условиях климата У2 по ГОСТ 15150.
Вентилятор применяется для подачи воздуха в стационарные системы вентиляции и кондиционирования, а также для других производственных и санитарно-технических целей.
ОСНОВНЫЕ СВЕДЕНИЯ
- Среднего давления;
- Количество лопаток - 9 (10);
- Корпус - улитка - поворотный;
- Одностороннего всасывания;
- Направление вращения лопаток - правое и левое;
- Конструктивное исполнение - схема №1;
- Диаметр рабочего колеса - 800 мм.
ТЕХНИЧЕСКИЕ ХАРАКТЕРИСТИКИ
| Условное обозначение | Типоразмер двигателя | Мощность установочная Ny, кВт | Частота вращения вала N, об/мин | Производ. Q, м3/час | Давление полное Рv, Па | Масса без двигателя не более, кг | Виброизоляторы | |
| Тип | Кол | |||||||
| ВЦ 5-50-8 | АИР160S4 | 15,0 | 1500 | 10000-18000 | 2600-2300 | 329 | ДО-43 | 4 |
АЭРОДИНАМИЧЕСКИЕ ХАРАКТЕРИСТИКИ

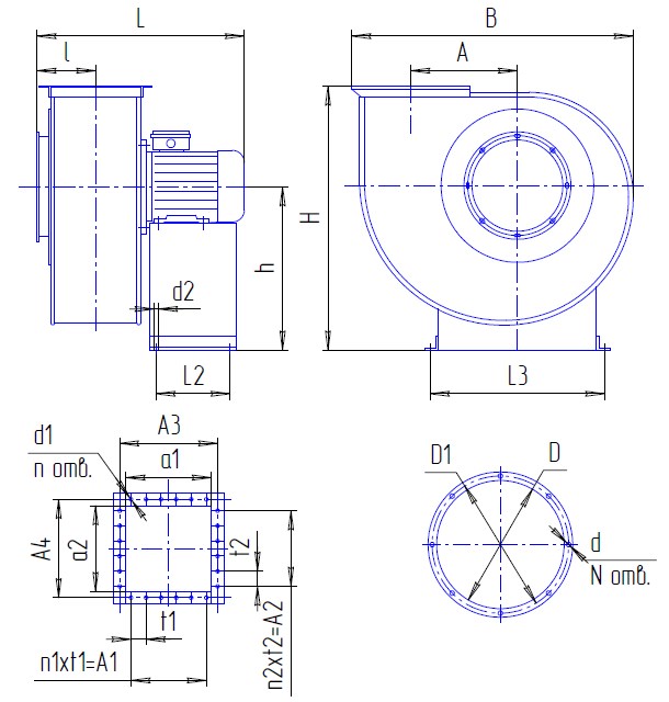
ГАБАРИТНЫЕ, ПРИСОЕДИНИТЕЛЬНЫЕ И УСТАНОВОЧНЫЕ РАЗМЕРЫ, мм

| Типоразмер вентилятора | Размеры, мм | N | n | n1 | n2 | ||||||||||||||||||||
| В | А | А1 | А2 | А3 | А4 | а1 | а2 | Lmax | l | h | Hmax | L2 | L3 | D | D1 | d | d1 | d2 | t1 | t2 | |||||
| ВЦ 5-50-8 | 1450 | 520 | 480 | 320 | 629 | 513 | 559 | 440 | 1100 | 320 | 900 | 1400 | 820 | 752 | 559 | 630 | 14 | 14 | 14 | 160 | 160 | 16 | 14 | 3 | 2 |
УСЛОВНОЕ ОБОЗНАЧЕНИЕ
| ВЦ | 5-50 | №8 | 15,0 | 1500 | К |
| 1 | 2 | 3 | 4 | 5 | 6 |
1. - вентилятор центробежный;
2. - тип вентилятора;
3. - типоразмер (диаметр рабочего колеса в дм);
4. - мощность электродвигателя, кВт;
5. - синхронная частота вращения электродвигателя, об/мин;
6. - исполнение по материалу - коррозионностойкое.
ИСПОЛНЕНИЕ ВЕНТИЛЯТОРА ПО НАЗНАЧЕНИЮ И МАТЕРИАЛАМ- Общее исполнение из углеродистой стали;
- Коррозионностойкое из нержавеющей стали (К);
- Взрывозащищенное из разнородных материалов (В).
| Основные | |
|---|---|
| Производитель | Тепловенткомплект |
| Страна производитель | Россия |
| Пользовательские характеристики | |
| Всасывание | Одностороннее |
| Давление | Среднее |
| исполнение | схема 1 |
| Количество виброизоляторов | 4 |
| Количество лопаток | 9 (10) |
| Корпус | Спиральный поворотный |
| Маркировка двигателя | АИР160S4 |
| Масса без двигателя, кг | 329 |
| Мощность, кВт. | 15 |
| Полное давление, Па | 2600-2300 |
| Производительность, м3/ч | 10000-18000 |
| Размер рабочего колеса, мм | 800 |
| Тип виброизолятора | ДО-43 |
| Частота вращения вала, об/мин | 1500 |
- Цена: 1 007 601 ₸





