Статус товара: под заказ
Срок поставки: от 7 дней
Запросите у менеджера точный расчет сроков и стоимости доставки.
Описание товара:
Вентилятор ВР 6-13 №5 5,5/3000 исп.1 предназначен для перемещения воздуха и других газовых смесей, агрессивность которых по отношению к углеродистым сталям, обыкновенного качества, не выше агрессивности воздуха с температурой до +80оС, не содержащих пыли и других твердых примесей в количестве более 100 мг/м3, а также липких и волокнистых материалов в условиях климата У2.
Применяется для подачи воздуха в стационарные системы вентиляции и кондиционирования, а также для других производственных и санитарно-технических целей.
ОСНОВНЫЕ ДАННЫЕ
- Высокое давление;
- Количество лопаток - 7;
- Корпус - улитка - поворотный;
- Одностороннее всасывание;
- Направление вращения - правое и левое.
ТЕХНИЧЕСКИЕ ХАРАКТЕРИСТИКИ
| № | Мощность, кВт | Частота вращения колеса n, мин-1 | Производительность Q, м3/ч | Давление полное Pv, Па | Масса без двиг. не более, кг |
| №5 | 5,5 | 3000 | 370-1220 | 1750-1500 | 76 |
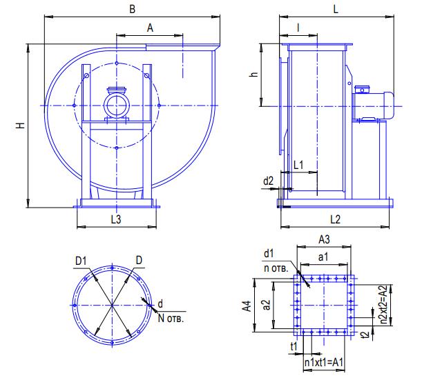
ГАБАРИТНЫЕ И ПРИСОЕДИНИТЕЛЬНЫЕ РАЗМЕРЫ

| № вент. | Размеры, мм | N | n | n1 | n2 | |||||||||||||||||||||
| B | A | A1 | A2 | A3 | A4 | a1 | a2 | Lmax | l | h | H | L1 | L2 | L3 | D | D1 | d | d1 | d2 | t1 | t2 | |||||
| №5 | 760 | 345 | 100 | - | 150 | 136 | 110 | 100 | 600 | 127 | 287 | 770 | 53 | 360 | 370 | 98 | 286 | 11 | 11 | 14 | 100 | - | 10 | 6 | 1 | - |
Характеристики
| Основные | |
|---|---|
| Производитель | Тепловенткомплект |
| Страна производитель | Россия |
| Пользовательские характеристики | |
| Всасывание | Одностороннее |
| Давление | Высокое |
| исполнение | схема 1 |
| Количество лопаток | 7 |
| Корпус | Спиральный поворотный |
| Маркировка двигателя | АИР100L2 |
| Масса без двигателя, кг | 76 |
| Мощность, кВт. | 5,5 |
| Полное давление, Па | 1750-1500 |
| Производительность, м3/ч | 370-1220 |
| Размер рабочего колеса, мм | 500 |
| Частота вращения вала, об/мин | 3000 |
Информация для заказа
- Цена: 340 665 ₸






