Статус товара: под заказ
Срок поставки: от 7 дней
Запросите у менеджера точный расчет сроков и стоимости доставки.
Описание товара:
Вентилятор радиальный ВР 12-26 №5 45/3000 является по типу оборудования вентилятором высокого давления с 48 лопатками. Корпус поворотный – улитка. Возможно изготовление как правого, так и левого вращения.
Вентиляторы применяются в системах вентиляции, в которых длина воздуховода более 100м, для перемещения воздушных и газовых смесей без содержания липких и волокнистых материалов. Примеси при этом не должны превышать 100 мг/м3.
Применяются для подачи воздуха в вагранки, печи, вентиляционные системы зерновых элеваторов и глубоких шахт, а также для установки в пневмотранспорт эжекционного типа и установки других различных технологических систем.
УСЛОВНОЕ ОБОЗНАЧЕНИЕ
Например: ВР 12-26-Х1 Х2/Х3 Х4, где:
ВР - вентилятор радиальный;
12-26 - тип вентилятора;
Х1 - типоразмер (номер вентилятора) - размер рабочего колеса, измеряемый в дм (2,5; 3,15; 3,5; 4; 4,5; 5; 5,5);
Х2 - мощность электродвигателя, кВт;
Х3 - частота вращения рабочего колеса, об/мин;
Х4 - положение корпуса вентилятора (правое, левое) и угол поворота.
ТЕХНИЧЕСКИЕ ХАРАКТЕРИСТИКИ
| № | Типоразмер двигателя | Мощность установочная Ny, кВт | Частота вращения вала N, об/мин | Производ. Q, м3/час | Давление полное Pv, Па | Масса без двигателя не более, кг | Виброизоляторы | |
| Тип | Кол | |||||||
| №5 | А200L2 | 45 | 3000 | 6500-9000 | 7850-7600 | 119 | ДО40 | 4 |
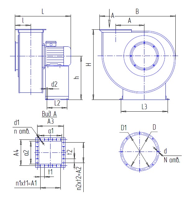
ЧЕРТЕЖ И ГАБАРИТНЫЕ РАЗМЕРЫ

| № вент. | Размеры, мм | N | n | n1 | n2 | |||||||||||||||||||||
| B | A | A1 | A2 | A3 | A4 | a1 | a2 | Lmax | l | h | Hmax | L2 | L3 | D | D1 | d | d1 | d2 | t1 | t2 | ||||||
| №5 | 765 | 300 | 100 | 100 | 252 | 202 | 200 | 150 | 980 | 170 | 480 | 775 | 300 | 590 | 350 | 385 | 7 | 10 | 14 | 100 | 100 | 8 | 8 | 1 | 1 | |
| Основные | |
|---|---|
| Производитель | Тепловенткомплект |
| Страна производитель | Россия |
| Пользовательские характеристики | |
| Всасывание | Одностороннее |
| Давление | Высокое |
| исполнение | схема 1 |
| Количество виброизоляторов | 4 |
| Количество лопаток | 48 |
| Корпус | Спиральный поворотный |
| Маркировка двигателя | А200L2 |
| Масса без двигателя, кг | 119 |
| Мощность, кВт. | 45 |
| Полное давление, Па | 7850-7600 |
| Производительность, м3/ч | 6500-9000 |
| Размер рабочего колеса, мм | 500 |
| Тип виброизолятора | ДО-40 |
| Частота вращения вала, об/мин | 3000 |
- Бағасы: 1 281 826 ₸





