Статус товара: под заказ со склада в России
Склад наличия: Москва, Екатеринбург
Срок поставки: от 7 до 14 дней в зависимости от города отправки
Запросите у менеджера точный расчет сроков и стоимости доставки из ближайшего к вам склада.
Описание товара:
Вентилятор ВР 80-75 №2,5 0,55/3000 радиальный низкого давления предназначен для перемещения воздуха и других газовых смесей, агрессивность которых по отношению к углеродистым сталям, обыкновенного качества, не выше агрессивности воздуха с температурой до +80оС, не содержащих пыли и других твердых примесей в количестве более 100 мг/м3, а также липких веществ и волокнистых материалов.
ОСНОВНЫЕ СВЕДЕНИЯ:
- Низкого давления;
- Одностороннего всасывания;
- Диаметр рабочего колеса - 25 см;
- Лопатки рабочего колеса - загнутые назад;
- Количество лопаток - 12(13);
- Корпус - спиральный поворотный;
- Направление вращения - правое и левое;
- Схема 1 - соединение напрямую с двигателем.
ТЕХНИЧЕСКИЕ ХАРАКТЕРИСТИКИ
| Типоразмер вентилятора | Исп | Мощность двигателя, кВт | Частота вращения раб. колеса, об/мин | Параметры в рабочей зоне | Вес, не более кг | Виброизоляторы | ||
| Производ., м3/час |
Полное давление, Па | Тип | Кол. | |||||
| №2,5 | 1 | 0,55 | 3000 | 525-2000 | 695-275 | 16 | ДО38 | 4 |
АЭРОДИНАМИЧЕСКИЕ ХАРАКТЕРИСТИКИ

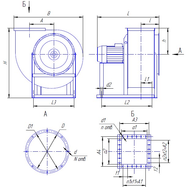
ГАБАРИТНЫЕ, УСТАНОВОЧНЫЕ И ПРИСОЕДИНИТЕЛЬНЫЕ РАЗМЕРЫ

| № вент. | Размеры, мм | N | n | n1 | n2 | |||||||||||||||||||||
| B | A | A1 | A2 | A3 | A4 | a1 | a2 | Lmax | l | h | H | L1 | L2 | L3 | D | D1 | d | d1 | d2 | t1 | t2 | |||||
| №2,5 | 475 | 163 | 100 | 100 | 200 | 200 | 175 | 175 | 530 | 145 | 185 | 495 | 6 | 300 | 260 | 265 | 280 | 7х14 | 8х12 | 12 | 100 | 100 | 8 | 8 | 1 | 1 |
ГАБАРИТНЫЕ РАЗМЕРЫ В СООТВЕТСТВИЕ С ПОЛОЖЕНИЕМ КОРПУСА ВЕНТИЛЯТОРА
Вентиляторы изготавливаются правого и левого вращения с поворотными корпусами, допускающими их установку в любое из положений:
Правое вращение - рабочее колесо вращается по часовой стрелке, если смотреть со стороны всасывания;
Левое вращение - рабочее колесо вращается против часовой стрелки, если смотреть со стороны всасывания.
ВР 80-75 №2,5 Х1 Х2/Х3 Х4 Х5, где
ВР - вентилятор радиальный;
80-75 - обозначение;
№2,5 - типоразмер (номер), равен номинальному диаметру вентилятора в дм;
Х1 - исполнение по назначению и материалам (без обозначения, Ж1, К, КЖ, ВКЗ, В, ВЖ, ВК, ВКЖ, ДУ);
Х2 - установочная мощность, кВт;
Х3 - частота вращения рабочего колеса, об/мин;
Х4 - схема №1 или схема №5;
Х5 - вращение корпуса вентилятора (Правое или Левое) и угол поворота (0о, 45о, 90о, 135о, 270о, 315о).
ИСПОЛНЕНИЕ ПО НАЗНАЧЕНИЮ И МАТЕРИАЛАМ
Производятся вентиляторы в разных вариантах:
- общепромышленное;
- теплостойкое из углеродистой стали до +200оС (Ж1);
- коррозионностойкое из нержавеющей стали (К);
- коррозионно-теплостойкое из нержавеющей стали до +200оС (КЖ);
- взрывозащищенное из алюминиевых сплавов (ВКЗ);
- взрывозащищенное из разнородных материалов (В);
- взрывозащищенное теплостойкое из углеродистой стали - латуни до +200оС (ВЖ);
- взрывозащищенное коррозионностойкое (ВК);
- взрывозащищенное коррозионно-теплостойкое (ВКЖ);
- дымоудаления перемещамая среда до +400оС; до +600оС (ДУ).
| Основные | |
|---|---|
| Производитель | Тепловенткомплект |
| Страна производитель | Россия |
| Пользовательские характеристики | |
| Всасывание | Одностороннее |
| Высота, мм | 495 |
| Глубина, мм | 530 |
| Давление | Низкое |
| исполнение | схема 1 |
| Количество виброизоляторов | 4 |
| Количество лопаток | 12 (13) |
| Корпус | Спиральный поворотный |
| Маркировка двигателя | АИР63В2 |
| Масса без двигателя, кг | 16 |
| Мощность, кВт. | 0,55 |
| Полное давление, Па | 695-275 |
| Производительность, м3/ч | 525-2000 |
| Размер рабочего колеса, мм | 250 |
| Тип виброизолятора | ДО-38 |
| Частота вращения вала, об/мин | 3000 |
| Ширина, мм. | 475 |
- Бағасы: 129 893 ₸





